TXTP4型智能溫度控制器
發布時間:2015-03-21 03:48:35 點擊:1362

一、概述
TXT智能溫度控制器的感溫元件不同于機械式的熱脹冷縮原理,而是采用高精度的鉑熱電阻做感溫傳感器,當介質溫度變化時,其阻值隨著發生變化的特征來檢測溫度。整合高精度工業線路元件、具有高穩定性,無觸點型的智能溫度開關。
應用領域
l 油路溫度的監控領域
l 水泥行業
l 機電自動化
l 冶金行業
l 潤滑系統
l 環保行業
二、基本參數
三、選型表
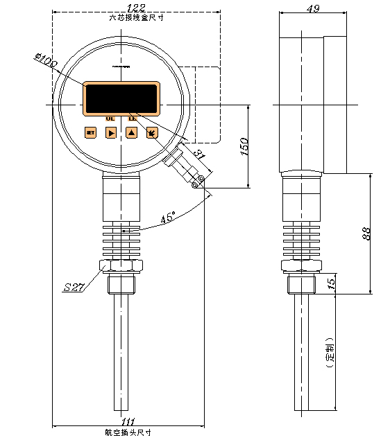
四、尺寸圖
下一篇:2088款智能溫度開關
